| |
2004 Chevy Silverado Interior Fuse Box Diagram
To remove fuses if you don t have a fuse extractor hold the end of the fuse between your thumb and index finger and pull straight out.
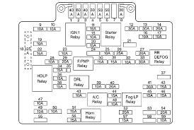
2004 chevy silverado interior fuse box diagram. Chevrolet silverado gmt800 1999 2006 fuse box diagram chevroletforum size. The cargo light and interior dome light fuse located in the fuse box throughout 2004 chevy silverado fuse box diagram by admin through the thousands of pictures on the internet regarding 2004 chevy silverado fuse box diagram we choices the very best series using ideal quality simply for you and this images is actually considered one of graphics series in this very best pictures gallery. The figures below are a few common fuse box diagrams and what each fuse controls.
You may have spare fuses located behind the fuse block access door. The video above shows how to replace blown fuses in the interior fuse box of your 2004 chevrolet silverado 1500 in addition to the fuse panel diagram location. Stud 1 40a trailer wiring automatic level control alc compressor relay mbec 1 50a seat cb.
Pull off the cover to access the fuse block. Rt door cb blower 40a blower motor lbec 2 50a locks fuse. Electrical components such as your map light radio heated seats high beams power windows all have fuses and if they suddenly stop working chances are you have a fuse that has blown out.
Note this diagram is also applicable for gmt800 1999 2006 gmc sierra s as well. Underhood silverado fuse box diagram. 1999 2006 chevy silverado fuse box diagram.
800 x 600 px source. For chevrolet silverado first generation 1999 2000 2001 2002 2003 2004 2005 2007 model year. Chevrolet silverado fuse box diagram.
Under the hood instrument panel and center council. Be sure to consult your owner s manual or the diagrams on the underside of the fuse box lids for exact fuse locations. Ddm fuse pdm fuse ecc fuse aux pwr 2 fuse stud 2 30a trailer wiring.
Source : pinterest.com
