| |
Chevy Avalanche Interior Parts Diagram
Although the chevy avalanche will no longer be in production after this year you will be able to continue to find the parts and accessories you are looking for for your chevy avalanche whether it is a 2002 or the 2013 black diamond.
Chevy avalanche interior parts diagram. These as well as other chevrolet avalanche parts make the vehicle a winner in terms of the sheer power it is able to generate. Refurbish your vehicle s interior with a new stylish upgrade that installs in minutes and lasts a lifetime. And although every chevy is dependable it needs regular care to remain so.
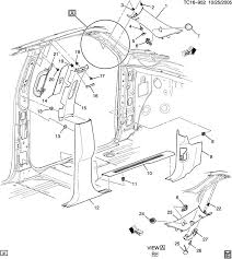
Gm genuine parts and acdelco original equipment are the true gm oe parts installed during the production of your chevrolet. Posted by kevin cross plains tn august 31 2018 2007 chevy avalanche. Select your interior trim pillars body parts for 2004 chevrolet avalanche 1500 base.
To be able to generate extreme performance the chevrolet avalanche employs premium quality parts like chevrolet avalanche engine parts electrical parts condenser radiator and lights. We are a gm certified parts retailer learn more. Dashtop 2007 dash cover.
Chevy avalanche interior parts reviews. Spend 150 save 15 on shipping use code ship15 at checkout spend 300 save 30 on shipping use code ship30 at checkout. Body interior trim pillars for 2004 chevrolet avalanche 1500 select interior trim pillars part.
For decades chevrolet has been manufacturing cars and trucks that range from sporty to heavy duty to practical. Chevy avalanche with grab handle above glove box 2003 dash cover and instrument panel cover combo kit by coverlay. These maintenance repair powertrain and collision components are designed engineered and tested to rigorous standards and are backed by general motors.
2004 chevrolet avalanche 1500. The chevy avalanche debuted in 2002 and it has been a steady success ever since. The plastic body cladding integrated bed and top quality chevy avalanche parts have been three of the most prominent reasons why this model has been such a magnet for attention.
Source : pinterest.com
